Tư vấn: 0979.466.469 / 0938.128.290

MENU

Tài liệu

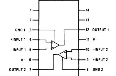
IC LM386 thông số kỹ thuật sơ đồ chân datasheet

IC LM386 thông số kỹ thuật sơ đồ chân datasheet

Tìm hiểu IC LM386 là gì, thông số kỹ thuật, sơ đồ chân, thay thế tương đương, ứng dụng, mạch khuếch đại âm thanh dùng LM386 và nhiều thông tin hữu ích khác
Tìm hiểu về linh kiện dán SMD

Tìm hiểu về linh kiện dán SMD

Tìm hiểu linh kiện dán SMD là gì. Cách đọc cũng như tra cứu thông tin về linh kiện dán SMD cho người mới
Tìm hiểu transistor C2655

Tìm hiểu transistor C2655

Tìm hiểu transistor C2655 là gì, thông số kỹ thuật, sơ đồ chân, thay thế tương đương, công dụng, cách sử dụng, ứng dụng, datasheet và nhiều thông tin hữu ích khác
Tìm hiểu về ATtiny85

Tìm hiểu về ATtiny85

Tìm hiểu ATtiny85 là gì, tính năng thông số kỹ thuật, sơ đồ chân, thay thế tương đương, ứng dụng, cách sử dụng, cách chạy an toàn và nhiều thông tin hữu ích khác
Sản phẩm nổi bật
Sale 0%
250V / 10A / 50 Độ C
7000 /Cái
/ Cái

Code: 3641-051 Còn hàng

Lưu xem sau
Sale 0%
1650000 - 1680000 /Cái
/ Cái

Code: 508-003 Còn hàng

Lưu xem sau
Sale 0%
1078000 /Bộ
/ Bộ

Code: M-CB015 Còn hàng

Lưu xem sau
Sale 0%
50000 /Cái
/ Cái

Code: 14003-088 Liên hệ

Lưu xem sau
Hỗ trợ liên kết
0979466469
0899909838
0938128290
0899909838
Khiếu nại: 0964238397
0979466469
0868565469
0868565469

Hotline: 0979 466 469

Loading
0964238397
Bạn cần linh kiện mẫu ? 7-11 ngày