Tư vấn: 0979.466.469 / 0938.128.290

MENU

Tài liệu về Mạch ghim sóng

Phân loại cho mạch xén

Phân loại cho mạch xén

Mạch xén là mạch tạo sóng cho tín hiệu ngõ ra bị xén một phần so với ngõ vào được dùng để kiểm soát hình dạng của dạng sóng đầu ra.
Tổng quan về mạch xén diode

Tổng quan về mạch xén diode

Mạch xén hoặc clipper là mạch được sử dụng để 'xén' điện áp đầu vào ngăn không cho nó đạt được giá trị lớn hơn giá trị được xác định trước.
Ứng dụng của mạch xén diode

Ứng dụng của mạch xén diode

Mạch xén diode được ứng dụng rất nhiều trong các mạch như trong máy thu truyền hình, bộ lọc nhiễu, mạch bảo về,..
Tổng quan mạch xén transistor

Tổng quan mạch xén transistor

Trong bài viết này, các mạch xén transistor sẽ được giải thích chi tiết cùng với sơ đồ mạch và dạng sóng.
Tổng quan mạch ghim diode

Tổng quan mạch ghim diode

Mạch kẹp hay còn gọi là mạch ghim điện áp là mạch đặt đỉnh dương hoặc âm của tín hiệu ở mức mong muốn.
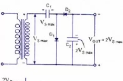
Các loại mạch nhân điện áp

Các loại mạch nhân điện áp

Mạch nhân điện áp là một mạch được sửa đổi từ mạch lọc tụ điện, cung cấp điện áp một lần hoặc hai lần so với giá trị cực đại (biên độ) của điện áp xoay chiều đầu vào.
So sánh bộ nhân đôi điện áp nửa sóng và toàn sóng

So sánh bộ nhân đôi điện áp nửa sóng và toàn sóng

Dưới đây là những điểm khác nhau của hai bộ nhân đội điện áp nửa sóng và toàn sóng.
Sản phẩm nổi bật
Sale 0%
120000 /Cái
/ Cái

Code: 3802-108 Còn hàng

Lưu xem sau
Sale 0%
99000 /Cái
/ Cái

Code: M-6012-027 Còn hàng

Lưu xem sau
Sale 0%
396000 /Cái
/ Cái

Code: M-6102-060 Liên hệ

Lưu xem sau
Sale 0%
Trắng Ấm - LED 1w
60000 /Cái
95000 / Cái

Code: M-500-012 Còn hàng

Lưu xem sau
Hỗ trợ liên kết
0979466469
0899909838
0938128290
0899909838
Khiếu nại: 0964238397
0979466469
0868565469
0868565469

Hotline: 0979 466 469

Loading
0964238397
Bạn cần linh kiện mẫu ? 7-11 ngày