Tư vấn: 0979.466.469 / 0938.128.290

MENU

Nguồn điện

Mạch ổn áp sử dụng LM7805

Mạch ổn áp sử dụng LM7805

mạch ổn áp sử dụng 7805, giới thiệu chi tiết về tác dụng của từng linh kiện trong mạch
MẠCH ĐIỀU CHỈNH ĐIỆN ÁP 10A

MẠCH ĐIỀU CHỈNH ĐIỆN ÁP 10A

MSK5012 là một mạch nguồn có thể điều chỉnh được. Đầu ra có thể được lập trình bằng hai điện trở. Bộ điều chỉnh có điện áp rơi rất thấp (khoảng 0,45v) do sử dụng MOSFET với thành phần RDS (on) thấp.
Mạch điều chỉnh điện áp dùng LM117

Mạch điều chỉnh điện áp dùng LM117

Đây là sơ đồ mạch điều chỉnh điện áp từ 1,2 V đến 25 Volts sử dụng IC LM 117. IC LM117 có thể điều chỉnh các dòng điện áp và cho dòng ra không vượt quá 0.5A trên phạm vi từ 1.2 đến 37V. Mạch rất dễ thực hiện và chỉ cần hai...
Mạch điều chỉnh điện áp kép sử dụng LM 317 & LM337

Mạch điều chỉnh điện áp kép sử dụng LM 317 & LM337

Miêu tả Đây là sơ đồ mạch của nguồn điện kép có thể điều chỉnh được bằng cách sử dụng LM 317 & LM 337.LM 317 là IC có thể cung cấp tối đa dòng 1,5 A ở khoảng 1,2 V đến 30 V. LM 337 là bổ sung phần âm cho LM317. Các IC cũng có phần...
Tìm hiểu Mạch nguồn 12V

Tìm hiểu Mạch nguồn 12V

Mạch này có thể cung cấp dòng 3A ở điện áp đầu ra 12V. Mạch có thể được sử dụng trong những dịp khi dòng điện yêu cầu lớn hơn hoặc bằng3A. IC có thể làm điều này hiện nay là khá khó tìm. Biến áp T1 hạ điện áp nguồn xuống...
Mạch nguồn dùng 78xx

Mạch nguồn dùng 78xx

Bộ điều chỉnh điện áp có sẵn trên thị trường có thể cung cấp khoản 1A dòng điện đầu ra. Ví dụ bộ điều khiển loại 78xx có sẵn ở các mức điện áp khác nhau, nhưng trong mọi trường hợp dòng không vượt quá 1A. Transistor Q1 (2N...
Tìm hiểu Mạch tăng áp

Tìm hiểu Mạch tăng áp

Đây là một mạch đơn giản để tăng 12 V DC đến 24 V DC. Mạch được thiết kế đơn giản và chỉ sử dụng một vài chi tiết. Với một vài sửa đổi trong mạch bạn cũng có thể tăng thêm một lượng điện áp bất kỳ. Các transistor Q1 và...
Mạch báo động khi mất điện

Mạch báo động khi mất điện

Đây là một mạch báo động / phát hiện mất nguồn điện đơn giản, mạch sẽ báo động bất cứ khi nào nguồn điện bị lỗi. Rất nhiều các mạch như vậy có sẵn, nhưng tính đặc thù của mạch này là nó không đòi hỏi phải sao lưu...
Mạch ngắt điện áp cao và thấp với delay và báo động

Mạch ngắt điện áp cao và thấp với delay và báo động

Miêu tả. Mạch này sẽ bảo vệ các thiết bị điện có điện áp đi qua. Mạch cũng tạo ra một báo động khi nguồn điện bật trở lại. Một mạch lý tưởng trong nhà để bảo vệ các thiết bị có giá trị của bạn khỏi biến động điện...
Mạch nguồn 9 V sử dụng 7809

Mạch nguồn 9 V sử dụng 7809

Miêu tả Đây là sơ đồ mạch nguồn 9 V bằng cách sử dụng IC phổ biến 7809. 7809 đã tích hợp các tính năng như giới hạn dòng nội bộ, bảo vệ vùng an toàn, bảo vệ quá nhiệt ... Một biến áp 16 V làm giảm nguồn điện 230V, chỉnh lưu...
Mạch nguồn 5V dùng IC 7805.

Mạch nguồn 5V dùng IC 7805.

7805 là một IC có đầu ra cố định là 5V. IC có các tính năng như bảo vệ an toàn khu vực hoạt động, ngắt nhiệt, … Đầu ra lên đến 1A từ IC với điều kiện là có một tản nhiệt phù hợp. Một biến áp 9V ở điện áp chính, cầu 1A...
Mạch nguồn 5V không cần biến áp.

Mạch nguồn 5V không cần biến áp.

Đây là một mạch chi phí thấp và đơn giản có thể được sử dụng để cấp nguồn cho các thiết bị điện tử nhỏ. Điện được trực tiếp lấy từ đường nguồn 230V AC thông qua điện trở R1. D1 thay đổi điện áp thành 1 chiều, C1 và...
Mạch nguồn 6v dùng 7806

Mạch nguồn 6v dùng 7806

Đây là mạch cung cấp nguồn 6v 1A sử dụng 7806 IC. IC 7806 với chân có kiểu sẵn trong gói TO-220 /D-PAK làm cho chúng trở nên hữu ích trong nhiều ứng dụng. 7806 có giới hạn dòng nội bộ, ngắt nhiệt và khu vực hoạt động được bảo vệ an...
Hướng dẫn làm mạch nguồn 5V - 3V3 

Hướng dẫn làm mạch nguồn 5V - 3V3 

Dưới đây là hướng dẫn chi tiết cách làm một mạch nguồn 5v-3v3 .
Bộ chuyển đổi nguồn 12v lên 24v

Bộ chuyển đổi nguồn 12v lên 24v

Sơ đồ cấu tạo và nguyên lý làm việc của mạch tăng áp 12v lên 24v đơn giản cho người mới học
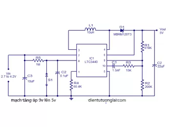
Mạch tăng áp 3v lên 5v sử dụng IC LTC3340

Mạch tăng áp 3v lên 5v sử dụng IC LTC3340

Mạch tăng áp 3v lên 5v nhờ IC LTC3340 đơn giản có thể áp dụng để làm trong sạc dự phòng
Mạch chuyển đổi điện áp 3v lên 5v sử dụng MAX660 và MAX667

Mạch chuyển đổi điện áp 3v lên 5v sử dụng MAX660 và MAX667

Mạch tăng áp 3v lên 5v đơn giản ứng dụng làm mạch sạc dự phòng, một số nguồn cần 5v từ nguồn 3v có sẵn
ĐIỆN ÁP ÂM LÀ GÌ? (Điện thế âm là gì?)

ĐIỆN ÁP ÂM LÀ GÌ? (Điện thế âm là gì?)

Đôi khi bạn sẽ thấy những mạch nguồn 3 cực tính 9V 0V -9V trong những mạch opamp. Vậy điện áp âm -9V là gì? Và làm sao để chúng ta tạo ra nó? Cùng đọc bài viết dưới đây nhé các bạn.    
Sản phẩm nổi bật
Sale 0%
269000 /Cái
/ Cái

Code: M-3903-010 Liên hệ

Lưu xem sau
Sale 0%
Trắng Ấm - LED 1w
60000 /Cái
95000 / Cái

Code: M-500-012 Còn hàng

Lưu xem sau
Sale 3%
Bóng Đèn LED USB 5V Hình Que
12000 /Cái
16500 / Cái

Code: M-8403-037 Còn hàng

Lưu xem sau
Sale 0%
1000 /Cái
/ Cái

Code: 1601-074 Còn hàng

Lưu xem sau
Hỗ trợ liên kết
0979466469
0899909838
0938128290
0899909838
Khiếu nại: 0964238397
0979466469
0868565469
0868565469

Hotline: 0979 466 469

Loading
0359 366 469
Bạn cần linh kiện mẫu ? 7-11 ngày