Tư vấn: 0979.466.469 / 0938.128.290

MENU

Tài liệu về Tìm hiểu AVR

Tìm hiểu về Atmega16

Tìm hiểu về Atmega16

Giới thiệu tổng quan về Atmega16, tim hiểu vi điều khiển Atmega16 là gì, kiến trúc, sơ đồ chân, chức năng các chân, các ứng dụng, datasheet và nhiều thông tin hữu ích khác
Giới thiệu Vi điều khiển AVR (Atmega32)

Giới thiệu Vi điều khiển AVR (Atmega32)

Giới thiệu về Vi điều khiển 8 bit ATmega32 thuộc họ vi điều khiển dòng sê-ri AVR của Atmel.
Tổng quan về AVR studio 4 và 5 cho người mới bắt đầu

Tổng quan về AVR studio 4 và 5 cho người mới bắt đầu

Tổng quan về AVR studio 4 và 5 hỗ trợ lập trình AVR cho người mới bắt đầu.
Lập trình ISP cho Vi điều khiển ATmega32

Lập trình ISP cho Vi điều khiển ATmega32

Lập trình ISP- Lập trình hệ thống cho Vi điều khiển ATmega32 sử dụng phần mềm PONY PROGRAMmer 2.06.
Giới thiệu Vi điều khiển Avr Atmega8

Giới thiệu Vi điều khiển Avr Atmega8

Tìm hiểu về sơ đồ chân, chức năng các chân và cấu tạo của Vi điều khiển Avr Atmega8
Xử lí ngõ vào/ngõ ra số trong bộ vi điều khiển AVR

Xử lí ngõ vào/ngõ ra số trong bộ vi điều khiển AVR

Xử lí ngõ vào/ngõ ra số trong bộ vi điều khiển AVR thông qua các ví dụ cơ bản.
Giao tiếp LCD với AVR

Giao tiếp LCD với AVR

Giao tiếp màn hình LCD với bộ vi điều khiển AVR theo chế độ bus dữ liệu 8 bit.
Giao tiếp LCD với AVR chế độ 4 bit

Giao tiếp LCD với AVR chế độ 4 bit

Giao tiếp màn hình LCD với vi điều khiển AVR ở chế độ 4 bit sử dụng ATmega328
Giao tiếp LED với vi điều khiển AVR

Giao tiếp LED với vi điều khiển AVR

Dưới đây là 3 ví dụ đơn giản giúp chúng ta hiểu được cơ chế giao tiếp giữa Led và vi điều khiển AVR.
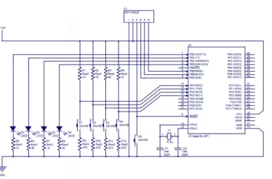
Khóa điện tử sử dụng vi điều khiển AVR- Atmega16

Khóa điện tử sử dụng vi điều khiển AVR- Atmega16

Bài viết dưới đây sẽ hướng dẫn chúng ta tạo ra khóa bảo mật sử dụng vi điều khiển AVR- Atmega16.
Thư viện sử dụng cho AVR STUDIO

Thư viện sử dụng cho AVR STUDIO

Dưới đây là các thư viện thường được sử dụng trong lập trình AVR STUDIO.
Sản phẩm nổi bật
Sale 0%
620000 /cuộn
/ cuộn

Code: 3004-074 Còn hàng

Lưu xem sau
Sale 0%
132000 /Cái
/ Cái

Code: M-6016-033 Liên hệ

Lưu xem sau
Sale 0%
Không Có Đèn
13000 /Cái
/ Cái

Code: 3604-007 Liên hệ

Lưu xem sau
Sale 0%
143000 /Cái
/ Cái

Code: M-12001-057 Còn hàng

Lưu xem sau
Hỗ trợ liên kết
0979466469
0899909838
0938128290
0899909838
Khiếu nại: 0964238397
0979466469
0868565469
0868565469

Hotline: 0979 466 469

Loading
0359 366 469
Bạn cần linh kiện mẫu ? 7-11 ngày