Tư vấn: 0979.466.469 / 0938.128.290

MENU

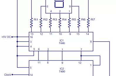
Tài liệu về Mạch đếm

Tại Sao Dịch Vụ Thiết Kế Mạch Chất Lượng Là Yếu Tố Quyết Định Thành Công Trong Ngành Điện Tử Ngày Nay?

Tại Sao Dịch Vụ Thiết Kế Mạch Chất Lượng Là Yếu Tố Quyết Định Thành Công Trong Ngành Điện Tử Ngày Nay?

Trong bối cảnh công nghệ điện tử phát triển nhanh chóng, nhu cầu về các sản phẩm điện tử ngày càng cao, đòi hỏi tính năng tiên tiến, hiệu suất tối ưu và độ tin cậy. Chính vì vậy, dịch vụ thiết kế mạch chất lượng không chỉ...
Sản phẩm nổi bật
Sale 0%
396000 /Cái
/ Cái

Code: M-6102-060 Liên hệ

Lưu xem sau
Sale 0%
Chân Ngắn - Chân Dài
500 /Cái
/ Cái

Code: 8001-013 Còn hàng

Lưu xem sau
Sale 0%
250000 /Cái
/ Cái

Code: 3702-070 Liên hệ

Lưu xem sau
Sale 0%
7700 /Cái
/ Cái

Code: M-3802-062 Liên hệ

Lưu xem sau
Hỗ trợ liên kết
0979466469
0899909838
0938128290
0899909838
Khiếu nại: 0964238397
0979466469
0868565469
0868565469

Hotline: 0979 466 469

Loading
0964238397
Bạn cần linh kiện mẫu ? 7-11 ngày